日前,正规滚球app平台官网郭宏教授团队在《航空学报CJA》第46卷第7期发表了题为“航空高压直流供电系统双向瞬态干扰抑制方法”的研究长文,分析了机载大功率脉冲型负载需求和传统主发电机动态性能的局限性,针对雷达与定向能武器的瞬时大功率脉冲用电及四象限电力作动器的再生功率回馈,提出了一套基于高压蓄电池储能、双向功率变换与智能能量管理的综合解决方案,系统介绍了面向多电飞机高压直流(HVDC)电网的双向大功率瞬态干扰抑制新技术。张博一、郭宏、徐金全等为该文作者,徐金全为通讯作者,正规滚球app平台官网为第一单位。郭宏教授领衔的特种电机设计与控制创新研究团队长期聚焦航空航天高可靠特种电机系统的创新研究,近年来承担国家级项目20余项,获国家及省部级科技奖励多项,发表论文200余篇,授权发明专利70余项,研究成果广泛应用于航空航天工程实践。

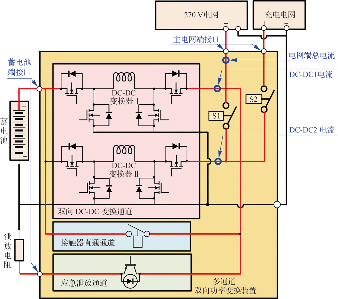
多通道双向功率变换拓扑结构示意图

双向瞬态干扰抑制策略结构示意图
本文提出了一种基于电网电压-负载电流和蓄电池荷电状态的综合能量管理策略,采用基于微分跟踪方法的多模式状态机实现系统负载扰动的快速检测和供电模式的快速配置。通过仿真验证了状态转移逻辑的准确性,以及所提出脉冲补偿、能量回馈吸收、储能容量调节和应急泄放功能的有效性。本文还引入了微分跟踪器与负载电流前馈相结合的稳压控制算法,显著提高了系统在全负载范围内的动态响应速度和稳压精度。

能量管理策略结构示意图
能量管理策略主要状态机功能仿真结果
郭宏教授团队搭建了多通道双向功率变换器实验测试平台对双向瞬态干扰抑制方法进行实验验证,实验结果表明,所提出的双向能量控制拓扑能够有效抑制瞬态大功率双向电能脉冲带来的电网电压波动,提升了机载高压直流电源的鲁棒性和供电品质,为机载鲁棒电源系统设计提供了全新解决途径。

实验测试平台

蓄电池放电实验电压电流波形
论文链接:https://hkxb.buaa.edu.cn/CN/10.7527/S1000-6893.2024.30930